Hotline: +86-021-57278880
Language:   
Your current location: ProductsAutomatic Control ValvePneumatic Flanged Center Line Butterfly Valve

D641X Pneumatic Flanged Center Line Butterfly Valve

Product overview

Product model: D641X
Nominal diameter: DN25~1000mm
Nominal pressure: 1.6MPa
Body material: WCB, 304, 316, UPVC
Valve plate material: 304, 316, 316L, nylon plate, aluminum bronze, ductile iron nickel plating
Applicable temperature: NBR: -30 ~ 80℃;EPDM: -30 ~ 120℃;PTFE: -30 ~ 130℃
Design standard: GB/T2238-1989
Flange connection size :GB/T9113.1-2000;GB/T9115.1-2000;JB78
Structure length :GB/T12221-1989
Pressure test :GB/T13927-1992;JB/T9092-1999

D641X Pneumatic Flanged Center Line Butterfly Valve product details

D641X Pneumatic Flanged Center Line Butterfly Valve overview

D641X Pneumatic Flanged Center Line Butterfly Valve produced and sold by Baigang valve group is a center of rotation (ie, valve shaft center) located in the valve body centerline and the butterfly valve sealing section of the butterfly valve, the connection of the folder and flange. Pneumatic midline butterfly valve fluid resistance smaller, large diameter butterfly valve fully open when the effective flow area larger, quick opening and closing effort, the use of compressed air to drive the disc pull rotation angle of 90 to complete the opening and closing can also be assembled on the electrical valve positioning Media on the media flow, pressure, temperature and other parameters to regulate control.


D641X Pneumatic Flanged Center Line Butterfly Valve features

 1, compact and lightweight, easy disassembly and maintenance, and can be installed in any location. 
 2, the structure is simple, compact, small operating torque, 90 ° turn quickly open. 
 3, the flow characteristics of a straight line, adjust the performance. 
 4, butterfly plate and valve rod connection pinless structure, to overcome the possible internal leakage point. 
 5, the use of spherical disc butterfly shape, improve the sealing performance and extend the service life of the valve, open more than 50,000 times the pressure remains zero leakage.


D641X Pneumatic Flanged Center Line Butterfly Valve technical parameters

 Body material: WCB, 304,316, UPVC 
 Valve plate material: 304,316,316L, nylon plate, aluminum bronze, ductile iron Nickel 
 Seal Seat: NBR, EPDM, PTFE [Pressure grade]: 1.6MPa 
 Nominal diameter : DN25-DN1000 
 structure: A type, LT lug type 
 connection: wafer, flanged 
 solenoid valve voltage: AC220V / 110V / 380V / 24V 50 / 60HZ DC24V / 12V + 10% to -10% 
 temperature range: NBR: -30 ~ 80 ℃; EPDM: -30 ~ 120 ℃; PTFE: -30 ~ 130 ℃ 
 Pneumatic Actuator: Double acting, single acting 
 Pneumatic accessories: reversing solenoid valve, limit switch, air filter pressure reducing valve, Electrical locator, hand wheel mechanism


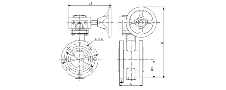
caliber

inch

Flange GB GB size PN10 / PN16 / PN25

Actuator size

L

H

H1

D1

nd

Weight KG

A

B

C

DN50

2

108

245

80

125/125/125

4-18 / 4-18 / 4-18

12

217

137

111

DN65

2-1 / 2

112

250

90

145/145/145

4-18 / 4-18 / 8-18

13.75

258

147

122

DN80

3

114

350

98

160/160/160

4-18 / 8-18 / 8-18

16.25

258

147

122

DN100

4

127

380

112

180/180/190

8-18 / 8-18 / 8-22

21

299

165

135

DN125

5

140

410

128

210/210/220

8-18 / 8-18 / 8-26

30

349

182

153

DN150

6

140

490

147

240/240/250

8-22 / 8-22 / 8-26

37

397

199

173

DN200

8

152

560

178

295/295/310

8-22 / 12-22 / 12-26

49

473

221

192

DN250

10

165

621

215

350/355/370

12-22 / 12-26 / 12-30

72

560

249

213

DN300

12

178

680

250

400/410/430

12-22 / 12-26 / 16-30

92

601

280

243

DN350

14

190

757

280

460/470/490

16-22 / 16-26 / 16-33

127.5

738

383

356

DN400

16

216

825

320

515/525/550

16-26 / 16-30 / 16-36

158

738

383

356

DN450

18

222

925

350

565/585/600

20-26 / 20-30 / 20-36

202

738

383

356

DN500

20

229

1010

380

620/650/660

20-26 / 20-33 / 20-36

251

940

434

415

DN600

24

267

1180

440

725/770/770

20-30 / 20-36 / 20-36

350

940

434

415



Reminder:

All text, data and pictures in this article are for reference only.To see more details of the D641X Pneumatic Flanged Center Line Butterfly Valve performance parameters, structural dimension parameters, pricing, etc., or to request high quality printing samples, please Contact us.

+86-021-57278881
qrCode