JD745X Diaphragm Multi-function Pump Control Valve
Product overview
Product model: JD745X
Nominal diameter: DN40~1600mm
Nominal pressure: PN1.0~2.5MPa
Applicable medium: water, oil, sea water, sewage
Applicable temperature: 0~80℃
Flange standard: GB/T17241.6, GB/T9113
Test standard: GB/T13927, API598
JD745X Diaphragm Multi-function Pump Control Valve Structural features
JD745X Diaphragm Multi-function Pump Control Valve main technical parameters
|
Nominal pressure (Mpa) |
Shell test pressure (MPa) |
Seal test pressure (MPa) |
Regulating range (MPa) |
Slow closing time (S) |
Minimum working pressure (MPa) |
Suitable media |
Medium temperature (℃) |
|
1.0 |
1.5 |
1.1 |
0.09-0.8 |
3-60 |
≥0.07 |
water |
0-80 |
JD745X Diaphragm Multi-function Pump Control Valve main parts and materials
|
Part Name |
Parts and materials |
|
Body valve cover |
WCB |
|
Valve seat disc |
Copper alloy / 2Cr13 |
|
O-ring seals |
Nitrile rubber |
|
Valve stem |
2Cr13 |
|
spring |
50CrVA |
|
Cylinder piston (piston type) |
2Cr13 |
|
Diaphragm (diaphragm type) |
Cloth fabric nitrile rubber |
|
Regulating valve ball valve |
Copper alloy |
|
filter |
stainless steel |
JD745X Diaphragm Multi-function Pump Control Valve parts list:
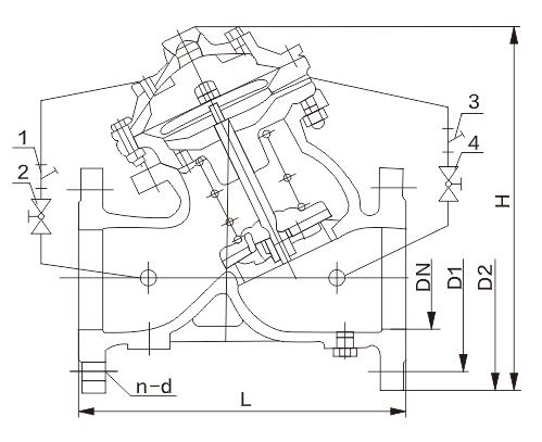
1, the main valve 2, the flow control valve 3, the filter
JD745X Diaphragm Multi-function Pump Control Valve connection size

|
DN |
L |
H |
D (mm) |
D1 (mm) |
b (mm) |
D2 (mm) |
n-Φd |
||||||||||
|
mm |
mm |
PN1.0 |
PN1.6 |
PN2.5 |
PN1.0 |
PN1.6 |
PN2.5 |
PN1.0 |
PN1.6 |
PN2.5 |
PN1.0 |
PN1.6 |
PN2.5 |
PN1.0 |
PN1.6 |
PN2.5 |
|
|
40 |
240 |
270 |
150 |
150 |
150 |
110 |
110 |
110 |
18 |
18 |
18 |
88 |
88 |
84 |
4-17.5 |
4-17.5 |
4-18 |
|
50 |
240 |
270 |
165 |
165 |
165 |
125 |
125 |
125 |
20 |
20 |
20 |
102 |
102 |
99 |
4-17.5 |
4-17.5 |
4-18 |
|
65 |
270 |
340 |
185 |
185 |
185 |
145 |
145 |
145 |
20 |
20 |
22 |
122 |
122 |
118 |
4-17.5 |
4-17.5 |
8-18 |
|
80 |
300 |
400 |
200 |
200 |
200 |
160 |
160 |
160 |
22 |
22 |
24 |
133 |
133 |
132 |
8-17.5 |
8-17.5 |
8-18 |
|
100 |
350 |
440 |
220 |
220 |
235 |
180 |
180 |
190 |
24 |
24 |
24 |
158 |
158 |
156 |
8-17.5 |
8-17.5 |
8-22 |
|
125 |
400 |
460 |
250 |
250 |
270 |
210 |
210 |
220 |
26 |
26 |
26 |
184 |
184 |
184 |
8-17.5 |
8-17.5 |
8-26 |
|
150 |
480 |
500 |
285 |
285 |
300 |
240 |
240 |
250 |
26 |
26 |
28 |
212 |
212 |
211 |
8-22 |
8-22 |
8-26 |
|
200 |
500 |
640 |
340 |
340 |
360 |
295 |
295 |
310 |
28 |
30 |
30 |
268 |
268 |
274 |
8-22 |
12-22 |
12-26 |
|
250 |
605 |
690 |
395 |
405 |
425 |
350 |
355 |
370 |
28 |
32 |
32 |
320 |
320 |
330 |
12-22 |
12-26 |
12-30 |
|
300 |
700 |
820 |
445 |
460 |
485 |
400 |
410 |
430 |
28 |
32 |
34 |
370 |
370 |
389 |
12-22 |
12-26 |
16-30 |
|
350 |
800 |
950 |
505 |
520 |
555 |
460 |
470 |
490 |
30 |
36 |
38 |
430 |
430 |
448 |
16-22 |
16-26 |
16-33 |
|
400 |
900 |
1400 |
565 |
580 |
620 |
515 |
525 |
550 |
32 |
38 |
40 |
482 |
482 |
503 |
16-26 |
16-30 |
16-36 |
|
450 |
1000 |
1580 |
615 |
640 |
670 |
565 |
585 |
600 |
32 |
40 |
42 |
532 |
550 |
548 |
20-26 |
20-30 |
20-36 |
|
500 |
1100 |
1600 |
670 |
715 |
730 |
620 |
650 |
660 |
34 |
42 |
44 |
585 |
585 |
609 |
20-26 |
20-33 |
20-36 |
|
600 |
1300 |
1815 |
780 |
840 |
845 |
725 |
770 |
770 |
36 |
48 |
46 |
685 |
685 |
720 |
20-30 |
20-36 |
20-39 |
|
700 |
1400 |
2040 |
895 |
910 |
960 |
840 |
840 |
845 |
40 |
54 |
50 |
800 |
800 |
820 |
24-30 |
24-36 |
24-42 |
|
800 |
1500 |
2350 |
1015 |
1025 |
1085 |
950 |
950 |
990 |
44 |
58 |
54 |
905 |
905 |
925 |
24-33 |
24-39 |
24-48 |
|
900 |
1700 |
2606 |
1115 |
1125 |
1185 |
1050 |
1050 |
1090 |
46 |
62 |
58 |
1005 |
1005 |
1028 |
28-33 |
28-39 |
28-48 |
|
1000 |
1900 |
2765 |
1230 |
1255 |
1320 |
1160 |
1170 |
1210 |
50 |
66 |
62 |
1110 |
1110 |
1140 |
28-36 |
28-42 |
28-56 |
|
1200 |
2050 |
2950 |
1455 |
1485 |
1530 |
1380 |
1390 |
1420 |
56 |
52 |
70 |
1330 |
1328 |
1350 |
32-39 |
32-48 |
32-55 |
|
1400 |
2200 |
3180 |
1675 |
1685 |
1755 |
1590 |
1590 |
1640 |
62 |
58 |
76 |
1530 |
1530 |
1560 |
36-42 |
36-48 |
36-60 |
|
1600 |
2400 |
3400 |
1915 |
1930 |
1955 |
1820 |
1820 |
1860 |
68 |
64 |
84 |
1750 |
1750 |
1780 |
40-48 |
40-55 |
40-60 |
Reminder:
All text, data and pictures in this article are for reference only.To see more details of the JD745X Diaphragm Multi-function Pump Control Valve performance parameters, structural dimension parameters, pricing, etc., or to request high quality printing samples, please Contact us.